Jump to content
Zum Start hinzufügen

Weitere Informationen

3D-Modellbahn Studio

Eine Vollbild-App auf Ihrem Startbildschirm mit Push-Benachrichtigungen und mehr.

So installieren Sie diese App auf iOS und iPadOS
  1. Tippen Sie auf das Teilen-Symbol in Safari
  2. Scrollen Sie durch das Menü und tippen Sie auf Zum Startbildschirm hinzufügen.
  3. Tippen Sie oben rechts auf Hinzufügen.
So installieren Sie diese App auf Android
  1. Tippen Sie auf das 3-Punkte-Menü (⋮) in der oberen rechten Ecke des Browsers.
  2. Tippen Sie auf Zum Startbildschirm hinzufügen oder App installieren.
  3. Bestätigen Sie durch Tippen auf Installieren.

Empfohlene Beiträge

Geschrieben

Hallo Modellbahnfreunde 

Stelle hier mal eine allgemeine Frage offen . Für Anfänger bzw. die keine Kenntnis haben in der Informatik-Grundlagen ( bezieht sich hier bei der EV ) .

Ein Beispiel als Bild .....

Screenshot_100.jpg.f687f9fd1765e8965a35d550f37bebba.jpg

Screenshot_98.jpg.2e27cd69a50177b9062650765662dd56.jpg

Was bedeutet Negieren ? 

Eine Negierung ist ein Umwandlung des Eingangs zum Ausgang .

An den Bilder habe ich nur zwei Schritte ( Dual ) im Wechselgang . Dual bedeutet : Es sind immer nur zwei Werte vorhanden " 0 " und " 1" . Ich gehe jetzt nicht auf die Spannungdifferenzen ein ( spezifisch ) . 

Ist der Eingang "0" ( keine Spannung ) so ist am Ausgang "1" ( Spannung vorhanden ) . Das gleiche wären dann auch umgekehrt .

Also Eingang "1" ( Spannung vorhanden ) und am Ausgang "0" ( keine Spannung ) . 

 

Anhand dieses Beispiel könnte ich weitere Beispiele geben für die Grundlagen , die man bei der Informatik braucht .

Welche Eintragungen in der EV ( Ereignisverwaltung ) gemacht werden müssen .

 

Steht Interesse und ist es auch brauchbar hier Anhand von Beispiele gegeben???

Eine Zusammenarbeit für dieses Thema ist erwünscht !    Wenn überhaupt die Mitglieder es wollen im Anleitung und Tutorials B| .

 

Viele Grüße

H:xnS , der sich Gedanken gemacht hatte

 

Geschrieben
vor einer Stunde schrieb h.w.stein-info:

Eine Negierung ist ein Umwandlung des Eingangs zum Ausgang

Eine Negierung oder Negation ist eine Funktion. Das bedeutet, jedem Element einer Eingabemenge wird ein eindeutiger voneinander verschiedener Wert eines Wertebereiches zugeordnet. Dies als 'Umwandlung des Eingangs zum Ausgang' zu bezeichnen ist so flapsig, dass dafür die Prügelstrafe angewendet werden sollte.
Für den Definitionsbereich des binären Zahlensystems { 0, 1 } wird der 0 die 1 und der 1 die 0 zugeordnet. In der Logik wird 'wahr' zu 'falsch' und 'falsch' zu 'wahr'.
Wenn bei den natürlichen Zahlen das Vorzeichen 'gedreht' wird, ist das auch eine Negation.

vor einer Stunde schrieb h.w.stein-info:

Anhand dieses Beispiel könnte ich weitere Beispiele geben

besser nicht.
Das macht heutzutage nicht mehr viel Sinn, da noch über die Elektronik zu gehen.

Gruß
  Andy

Bearbeitet von Andy
Zusatz

Geschrieben
vor 13 Minuten schrieb Andy:

Eine Negierung oder Negation ist eine Funktion. Das bedeutet, jedem Element einer Eingabemenge wird ein eindeutiger voneinander verschiedener Wert eines Wertebereiches zugeordnet. Dies als 'Umwandlung des Eingangs zum Ausgang' zu bezeichnen ist so flapsig, dass dafür die Prügelstrafe angewendet werden sollte.
Für den Definitionsbereich des binären Zahlensystems { 0, 1 } wird der 0 die 1 und der 1 die 0 zugeordnet. In der Logik wird 'wahr' zu 'falsch' und 'falsch' zu 'wahr'.
Wenn bei den natürlichen Zahlen das Vorzeichen 'gedreht' wird, ist das auch eine Negation.

besser nicht.

Hllo andy du mein Informatig guru gg

Das war doch oben eindeutig eine Funktion. Hast du eine Liste aller Gatterfunktionen zur Hand? ( für Laien ) lass sie mir mal zukommen

MfG Hans

Geschrieben

Hier haddu:
   
A     0  0  1  1
B     0  1  0  1

Verknüpfungsresultat:

       0  0  0  0    'Nimmer'
       0  0  0  1    A und B
       0  0  1  0    A und (nicht B)
       0  0  1  1    A
       0  1  0  0    B und (nicht A)
       0  1  0  1    B
       0  1  1  0    A ungleich B    bzw. (B und (nicht A)) oder (A und (nicht B))   wird auch als 'entweder-oder' bzw. XOR (english: exclusive or) bezeichnet, auch EOR
       0  1  1  1    A oder B
       1  0  0  0    nicht (A oder B)    wird auch als NOR (not or) bezeichnet
       1  0  0  1    A gleich B        bzw. nicht (A xor B)
       1  0  1  0    nicht B
       1  0  1  1    A oder (nicht B)         bzw.  wenn B dann A
       1  1  0  0    nicht A
       1  1  0  1    B oder (nicht A)         bzw.  wenn A dann B
       1  1  1  0    nicht (A und B)     wird auch als NAND (not and) bezeichnet
       1  1  1  1    'Immer'

Geschrieben

Hallo @pfjoh,

ich bin zwar kein Informatiker oder so, aber Berufsbedingt habe ich hin und wieder auch mit solchen Sachen zu tun (Lauflichtgeräte, Fahrsteuerung usw.).

Hier mal ein Praxisbeispiel für ein NAND Gatter (nicht und Gatter) im MBS:

Auslöser

Signal Schaltet Signal "A" Position "alle"

Bedingungen

Signal "A" Position "1"

Fahrzeug auf Gleis "Halt Signal A" Fahrzeug "$Signal A" (Fahrzeugname wurde in temporärer Variable zwichengespeichert)

Fahrzeug hat Geschwindigkeit "nicht 0" also Null Negiert

Aktion Bedingung erfüllt

Fahrzeuggeschwindigkeit "X"

HG

Wüstenfuchs

Geschrieben

Wenn man nur die Bedingungen betrachtet, wäre ein NAND dies:

Auslöser:

  AUSLÖSER

Bedingungen (UND)
 BEDINGUNG1
 BEDINGUNG2

Aktion Bedingung erfüllt:   gar nix
Aktion Bedingung NICHT erfüllt:  AKTION

dann entspricht:  AKTION = BEDINGUNG1 NAND BEDINGUNG2
ABER  dann kommt eigentlich noch UND AUSLÖSER dazu, denn ohne Auslöser geht ja gar nix.

Betrachtet man in obiger Tabelle den Auslöser als A und die Bedingungen mit 'oder' bzw. 'und' (vielleicht auch negiert) zusammengefaßt als B,
dann wird AKTION ausgelöst mit dem Muster A UND B und die Alternative Aktion mit dem Muster A UND (NICHT B) - und das war's. Alle anderen fehlen!!!
Ereignisgesteuerte Programmierung braucht zwar auch Logik, aber eben auch immer ein Ereignis.

Gruß
  Andy
 

Geschrieben

Bei uns wurde Boolsche Algebra auch gleich mit Physik (sprich Elektronik) kombiniert und dann kam man schnell zu J/K- und R/S-Flipflops, was eigentlich 'merkende' Schaltelemente sind - und was sind 'Merker' in der Informatik? Genau: Variablen.

Zum Thema Grundlagen nochmal:
man möge sich mal kurz die Funktionsliste der Sprache Lua ansehen, die als Ergänzung in V5 eingebunden sein wird.
Versteht irgendjemand irgendwas? Das wird hier für alle Neuland.
Aber bei den meisten fehlen sämtliche Voraussetzungen das zu verstehen und es ist absolut aussichtslos, das beginnend mit der Erkärung einer Negation aufholen zu wollen. Es geht zwar in der Tat in etwa damit los, nur dauert das schlichtweg eine halbe Ewigkeit sich das alles anzueignen, vor allen Dingen, wenn man's eigentlich gar nicht will. Ohne Neugier geht gerade mal gar nix. Das ist jetzt mit Sicherheit nicht 'von oben herab' gesagt, sondern aus Erfahrungswerten. Das fällt unter isso.
Aber mit steigender Komplexität der Anlagen brauchen wir das unbedingt. Jedoch: wie unfähige Modellbauer wie ich auf fähige Modellenbauer und die Erfüllung ihrer Wünsche angewiesen sind, wird das bei Programmbausteinen (die dann wohl auch möglich sind) genauso sein. Drückt also mal kräftig die Daumen, dass wir entweder Nachwuchs kriegen, der's bereits versteht, oder einige von uns eine Chance haben, das alles noch einmal zu lernen. Das wird alles kein schneller Prozess.

Gruß
  Andy

Geschrieben

Hallo,

... bevor hier das große Erschrecken losgeht (Funktionsliste der Sprache Lua), möchte ich an dieser Stelle einmal einwenden, daß wenn Lua in ein Prgramm mit eingebunden ist es auch möglich ist programmspezifische Befehle vor zu definieren... ich möchte Spekulatonen keinen Vorschub leisten und würde an dieser Stelle aber erst einmal zur Zurückhaltung aufrufen und abwarten, was Neo daraus gemacht hat...

Gruß
EASY

Geschrieben

Wenn, so wie ich es bin, Rentner zur Erstellung einer EV mit der kommenden Version 5 erst einen Volksschulkurs Informatik belegen müssen, um eine komplexe EV erstellen zu können, dann bleibe ich versprochen bei V4. Ich kann mir allerdings nicht vorstellen, dass Neo dies als zukünftige Bedingung verlangen wird. Und deshalb halte ich es mit @EASY: Erstmal abwarten, was da wircklich kommt.

Gruß

streit_ross

Geschrieben

Ich nehme an (und da befinde ich mich total im Bereich der Spekulation) dass die EV vom Prinzip her komplett erhalten bleibt. Lua-Funktionsaufrufe werden so laufen, wie heutzutage RandomX gerufen wird. Da steht dann halt was anderes und die EV guckt nach, ob es für das Kommando ein Skript gibt, oder ob's ein Tippfehler ist. Das war's. Mehr als abwarten geht sowieso nicht.
Und Du Reinhold, kannst mir mal erklären, wie Du eine komplexe EV mit und-oder-nicht erstellen willst.
Ist mir absolut unerklärlich, wie Du als Lehrer ein lebenslanges Lernen verneinen kannst. Ein echter Virus - der kann sich nach der Aussage eines alten Freundes so bilden, wie wenn man ein Haufen Metall in die Ecke wirft und plötzlich steht ein VW da. Und es soll auch Affen geben, die bei genügend Zeit das Gleiche wie Shakespear auf einer Schreibmaschine eintippen. Aber eine komplexe MBS-Anlage entsteht so definitiv nicht. Grummeln hilft da gar nix und bringt nur schlechte Atmosphäre.

Geschrieben
vor 12 Minuten schrieb streit_ross:

Wenn, ........, dann bleibe ich versprochen bei V4.

Gruß

streit_ross

Hi Alle

Dem kann ich nur beipflichten.

Auf der grundlage das dies hier ein Spiel-Spas-Hobby ist erstaune ich schon gelegendlich wie "verbissen" und "zuegig-hurtig" hier oefter probleme (aller art also sowohl EV als modelbau oder anlagen und technik) auftauchen und gelegendlich sogar bissig abgehandelt werden. Sicher ist die mehrzahl der mitglieder in rente oder nicht weit davon entfernt, was abba nicht unbedingt als hirntod sprich nicht mehr sonderlich lernfaehig anzusehen ist. Und natuerlich sind auch die kenntnisstaende ueber das MBS in ihrer ganzen bandbreite vertreten. Auch ist es bestimmt spannend, fuer EDV gurus zumindest abba durchaus auch fuer "einfach spielende", Neo quasi als productentwicklungs-helfer zu unterstuetzen. Ueber all dies sollte, nach meiner meinung, allerdings immer der Spiel-Spas-Hobby character nicht vergessen werden. Es ist doch voellig in ordnung wenn manche noch damit beschaeftigt sind sich grundlagen und verstaendnis , womoeglich gar noch in V3, anzueignen waehrend andere schon eigene apps und plugins anfertigen um moeglicherweise noch ein paar fps mehr aus V5 herauskitzeln zu koennen. Einzig wichtig ist das jeder bei dem was er macht spas hat, zeitduck sollte eigendlich hier nur entstehen wenn man gerade etwas ausbaldovert und im hintergrund der hund, enkel, ehefrau ooder sonstwas auf einen zugesagten ausgang wartet.

Natuerlich warte auch ich mit spannung auf das "sagenhafte" V5 und werde mich damit auseinandersetzen wenn es denn mal materialisiert. Natuelich hat V4 eigenheiten, die einem abba meist erst nach laengerem "studium" (spiel spas hobby!) auffallen. Und natuerlich kann jeder machen was er moechte - wenn mir etwas keinen spas macht wende ich mich lieber etwas zu das mir spas macht. 

Ich muss jetzt mal meine huehner fuettern....:D

Cheers

Tom                      

Geschrieben

Ich vertraue total darauf, dass ihr alle noch neugierig genug seid für V5. Und ihr werdet auch alle umsteigen.
Sicherlich wird's im Alter anstrengend zu lernen. So wie Benjamin heute in Sketchup eingestiegen ist, so schnell wird's nicht mehr gehen, bei mir auch nicht. Das machen die Augen schon mal nicht mehr mit. Aber da zieht einer den anderen über dieses Forum mit. Quängelt nicht rum, das wird gut, solange wir hier die positive Stimmung erhalten. (y)

Gruß
  Andy

Geschrieben
  • Autor

Hallo Modellbahnfreunde

Ich wollte Anhand von Beipiele die Logik besser darstellen und kein Lernkurs in dem Sinne .

Ich habe auch nie von der neuen EV v5 gesprochen ( Spekulation bedingt ) .

Ein Grundwissen in bild lichter Form anbringen geben , wie was abläuft und aussieht .

Wer das Wissen einmal hat , kann meisten sich nicht dem Unwissen herein versetzen . Es gibt auch in dieser Weise unterschiedliche Lernstudien .

Alles das soll nur in sehr kurzer Form erklärt werden und ihre Auswirkung .

Theorie und Praxis sind voneinander abhängig .

 

Wer würde damit zurecht kommen ohne Kenntnis und es auch noch verstehen ?

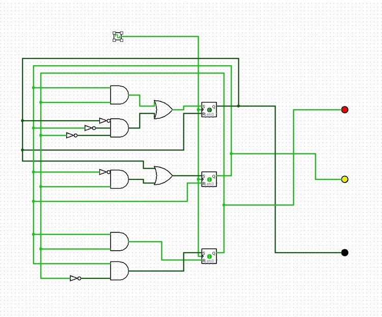
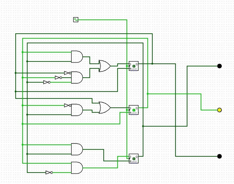
Beispiel :

Screenshot_94.thumb.jpg.6d1ef2be7b11fcdc6b32ee52d30465bd.jpgScreenshot_95.thumb.jpg.3402c01a874644f9ea1abde8f8ac34df.jpgScreenshot_96.thumb.jpg.66cf3677dbf8969cba675030dc65cb30.jpg

Screenshot_101.thumb.jpg.0d8fa3d9cec96685bd98377c8791f8fb.jpg

1. Erstmal muss bekannt sein was "WAS" ist , hier sind viele Gatter-Elemente im Einsatz .

    Grundregeln und Symbole 

2. Schaltvorgänge in Zwischenschritte in der Darstellung 

3. kurzgefasst ; Ergebnisse an den Ausgänge ( Leuchtelemente " LEDs ) 

 

Dieses Beispiel ist ein " Netzwerk  " für die Steuerung einer einfachen Ampel - das vielleicht einige erkennen konnte , aber noch lange nicht alle erkennen . 

Und genau das ist es , was ich mit der EV ( Ereignisverwaltung ) zeigen und erklären wollte .

Andere Beispiele sind auch damit zulösen für andere Anwendungen .

 

Viele Grüße

H:xnS

 

Geschrieben

Wenn Du das postest, wird's streit_ross gerne lernen.

p.s.: wenn ich mich wirklich was frage, dann wo z.B. Anfang der 70er Jahre die ganzen Gebührenzähler für die einzelnen Telefone der einzelnen Haushalte gestanden haben...

Bearbeitet von Andy

Geschrieben

Hallo Andy,

was der Einzelne unter einer komplexen EV versteht, ist bestimmt sehr unterschiedlich. Und das ich nicht bereit zum lernen bin, ist insofern schon Unsinn, indem ich bereits unter V3 und V4 Anlagen erstellt habe, die ich nur dehalb bauen konnte, weil ich mich in das MBS vom Level Null Ahnung bis, ich sag mal, in die 2. Liga hochlernen musste. Für ich bedeutet eine komplexe Ev, dass mindestens 2 Züge von A nach B im Gegenverkehr ohne Zusammenstoß über richtig gestellte Weichen und Signale mit sanften Anfahren und Bremsen,  evtl mit Zwischenaufenthalten oder Lokwechseln oder Rangieren ankommen. Wenn das bei Dir unter die Rubrik Kinderkram fällt, spricht das für für Dein eigenes Anspruchsdenken. Wenn Du Dir aber nur mal die von mir erlaubterweise erstellte EV der Anlage "Mohorn"  ansiehst, und dann immer noch der Meinung bist, die sei auch noch nicht  in die Rubrik komplex einzuordnen, dann erwartest Du vom MBS-Mittelstand ebend zuviel. Oder, was ich noch bitterer empfinden würde, Du schaust lächelnd auf das fleißige Gros der User, die mit den Ihnen gegebenen Voraussetzungen das Beste herausholen, herab

Gruß

streit_ross

Geschrieben
vor 1 Stunde schrieb streit_ross:

Du schaust lächelnd auf das fleißige Gros der User, die mit den Ihnen gegebenen Voraussetzungen das Beste herausholen, herab

Das kommt jetzt schon das zweite Mal und damit reicht es auch.

Geschrieben
  • Autor

Hallo Modellbahnfreunde

Bitte keinen persönlich Angreifen !  Ihr wisst schon was ich damit meine . Nimmt es nicht alles so persönlich , eher als Hinweis !

Ich möchte hier nur eine Hilfestellung geben , die absolut keine Ahnung haben .

Bei jeder Ausführung kommt ein Lernprozess , ob man es weißt oder auch nicht - und durch Fehler lernt man eigentlich immer , wenn man sie erkennt oder weist .

Ich möchte auch nicht fremde Programme vorstellen , sondern eher wie man zu seinem Ziel kommen kann .

Jeder lernt auf eine ganz andere Weise , das muss auch anerkannt werden .

Es gibt auch unterschiedliche Wege um auf sein Ziel zukommen . Wer es annehmen möchte kann es gerne tun , die anderen brauchen es ja nicht zu lesen , wenn es nicht interessant sein sollte . 

Das Forum dient ja auch um sich zu äußern und seine Meinung zu geben ( ohne jemanden anzugreifen ) .

Es sollte nicht sein , Du darfst das nicht schreiben oder sagen ( Meinungsfreiheit ) .

 

PS: Gebe hier nochmal eine kurze Info von mir , ich musste alles neu erlernen wegen meinen damaligen Unfall - und darum können Fehler bei mir auftreten ( Grammatik ) . 

 

Aber zurück zum diesem Thema !

Für jede Hilfestellung bin ich auch bereit es an zunehmen , wenn es für andere besser zu verstehen ist .

Was ich bewirken wollte ist ......

Anhand der Bilder , die EV leichter zu verstehen , was in der EV für ein Ablauf statt findet ( Schrittweise ) .

In den Ereignisse können verschiedene Auslöser vorkommen , das sollte bekannt sein .

Bedingungen dienen als Einschränkungen des Auslösers ( hier gibt es ein ( " UND - Glied " ; mindesten zwei Einträge ) und ein ( ODER - Glied " ; mindesten zwei Einträge )  , entsprechend werden die Aktionen ausgeführt .

Man kann auch ohne Bedingungen arbeiten , so kommen die Aktionen ohne Einschränkung aus , die dann direkt wirken .

Auch ist in der Aktion möglich " Aktionen für Bedingungen sind erfüllt " oder " Aktionen für Bedingungen sind NICHT erfüllt " - bei dem letzten wird die Aktion invertiert ( NICHT-Glied ) oder anders ausgesagt " negiert " ( Negieren )  .

Mit diesen kurzen Beitrag wollte ich das Verständnis hervorbringen oder einbringen .

Der einzige Nachteil ist in der EV , das man keine komplette Übersicht hat             

=     nur mit Hilfe von BahnLand der " EV-Auswerter " ( externes Programm ) .

Wie die EV in der neuen Version ist , lassen ich hiermit offen und warten wir ab bis es soweit ist .

Ich gehe von der jetzigen Situation aus , mit der wir alle mit arbeiten ( v3 oder v4 ) , wobei nicht alle mit der jetzigen EV arbeiten .

Ich habe auch die EV - Unterschiede in " Anleitung und Tutorials " als Übersicht vorgestellt .

Wenn einige Mitglieder Interesse haben , bitte ich hier sich zu melden ! 

Wir können auch auf bestimmte Probleme behandeln .

Erstmal soll nur die Kenntnis näher beigetragen werden .

 

Viele Grüße

H:xnS

 

 

Geschrieben
vor 6 Stunden schrieb h.w.stein-info:

 

 

PS: Gebe hier nochmal eine kurze Info von mir , ich musste alles neu erlernen wegen meinen damaligen Unfall - und darum können Fehler bei mir auftreten ( Grammatik ) .  (1)

 

 

Für jede Hilfestellung bin ich auch bereit es an zunehmen , wenn es für andere besser zu verstehen ist . (2)

 

Bedingungen dienen als Einschränkungen des Auslösers ( hier gibt es ein ( " UND - Glied " ; mindesten zwei Einträge ) und ein ( ODER - Glied " ; mindesten zwei Einträge )  , entsprechend werden die Aktionen ausgeführt .

Man kann auch ohne Bedingungen arbeiten , so kommen die Aktionen ohne Einschränkung aus , die dann direkt wirken .

Auch ist in der Aktion möglich " Aktionen für Bedingungen sind erfüllt " oder " Aktionen für Bedingungen sind NICHT erfüllt " - bei dem letzten wird die Aktion invertiert ( NICHT-Glied ) oder anders ausgesagt " negiert " ( Negieren )  . (3)

Mit diesen kurzen Beitrag wollte ich das Verständnis hervorbringen oder einbringen . (4)

 

Lieber Hans

Ich finde es gut das du dich, bestimmt sehr muehsam, wieder zu alter form hocharbeitest. Dein hinweis (1) auf einen zurueckliegenden unfall erklaert dies und das. Deine (riesigen)projekte sprechen fuer sich und auch das du gerne grundlagen vermitteln moechtest Ich gehe davon aus das dies alles auch bei dir aus spas an der freude geschieht. Um sich mit dem MBS vertraut(er) zu machen gibt es allerdings schon einige sehr gute optionen wie zum beispiel die youtube videos von Wopitir und anderen, das Wiki, und auch hier im forum finden sich gute erklaerungen und tips.

Wobei das forum, auch bei mir, oft im hintergrund laeuft waehrend ich an meinen projekten tueftele und ich es so mehr oder weniger als news ticker nutze, wenn ich nicht wirklich nach etwas speziellem suche.  Nach meinen beobachtungen machen das die meisten auch so und da das forum selbst ja aehnlich wie ein news ticker die neuesten eintraege in den headlines zeigt, sehe ich in beitraegen wie diesem hier von dir ein wenig die gefahr das sie, zumindest unbedarfte deutschsprachige neueinsteiger, mehr verwirren als anleiten werden. Deshalb graetsche ich hier mal rein und vervollstaendige (2) deine sehr saloppe erklaerung (3):

Im Wiki ist unter Anleitungen als 2te untergruppe " Ereignisverwaltung zur automatisierung des Bahnbetriebes" zu finden. Wenn der link angeklickt wird findet man anschliessend in der uebersicht  "4.Bedingungen". Dort wird nicht nur mit einfachen worten erklaert wie die Und -verknuepfung sowie die Oder -verknuepfung funktioniert sondern auch alle verfuegbaren bedingungen aufgelistet und erklaert. Dem hinzuzufuegen waere lediglich das beide selbst mit nur einer bedingung funktionieren wobei die Oder-verknuepfung dann vom prinzip her als Und-verknuepfung funktioniert. (mangels alternativen! Abba das spielt fuer den geneigten user der gerne seine bahn zum laufen bringen moechte eher keine rolle)  Ganz am ende des 4ten kapitels wird in 2 saetzen klar und einfach die "negieren" funktion erklaert. Die aktionen fuer erfuellte und nicht erfuellte bedingungen werden im naechsten 5ten kapital ausfuehrlich dargestellt und erklaert. Deine "interpretation" darueber ist leider so verwirrend, unter anderem auch weil du den unterschied als negieren bezeichnest, das ich das jetzt mal fuer zufaellig im forum herum stoebernde neulinge, auch in deinem sinne (2) + (4) zurechtruecken wollte.

Cheers

Tom

Geschrieben

Hallo zusammen,

in diesem Zusammenhang habe ich irgendwann mal in EXCEl eine Zusammenstellung gebastelt, wenns jemanden nützt, umso besser.

Ereignisverwaltung_(1).zip

lg max

Geschrieben

Hallo Modellbahnfreunde

Nachdem ich jetzt eure Kommentare gelesen habe kommt mir so einiges in den Sinn. Negieren heißt vor allem:

Das Verb negieren bedeutet „abstreiten“, „leugnen“ oder „als nicht existent betrachten“.

In der Sprachwissenschaft wird das Verb als Synonym für verneinen eingesetzt.

Nur das in kurzen Worten. Mir persönlich macht das Programmieren keine Schwierigkeiten, aber ich bin nicht der einzige hier im MBS. Es gibt tausende Mitglieder und für den ein oder anderen ist es eben keine leichte Sache. Deshalb trete ich dafür ein daß das Programmieren so einfach und schnell wie möglich gestaltet werden sollte. Ich kenne viele andere Programme zum Programmieren, zeichnen, konstruieren usw. Die Programme die wirklich Erfolg haben sind im allgemeinen diese die sich wirklich bedienungsfreundlich handhaben oder anwenden lassen. Mit anderen Worten " Anwendungsfreundlich ".

Genau das sollte im MBS auch so bleiben oder sich gegenfalls noch verbessern.

MfG

Morsdorf

 

Bearbeitet von Morsdorf

Geschrieben

 

vor 54 Minuten schrieb Morsdorf:

" Anwendungsfreundlich "

Richtig. Aber 'Anwendungsfreundlich' und 'mächtig' müssen sich nicht ausschliessen. Wenn Du dann wirklich statt 'RandomX' einen anderen Begriff einsetzen kannst, hinter dem sich ein sehr komplexes Skript versteckt, dass ein Programmierer geschrieben hat, aber ein Nichtprogrammierer niemals einsehen muß und das er nie verstehen muß, sondern nur dank einer Beschreibung weiß, was es macht, dann ist doch allen geholfen. Es fragt ja auch kein normaler User, welche DirectX-Befehle Neo verwendet hat, weil das ohne Belang ist. Hauptsache, die Lok kippt nicht um.

Begriffe aus der Mathematik/Informatik mit der Sprachwissenschaft zu vergleichen, ist wie das Ding mit Äpfel und Birnen. Du hast für Negation drei verschiedene Möglichkeiten angegeben. Setze sowas mal in einer Programmsprache ein. Ja - es könnte jetzt dies oder das oder jenes passieren. Absurd.
Mir färbt sich schon das Gesicht, wenn man 'numerieren' jetzt mit Doppel-M schreibt. Weil es von 'Nummer' kommt? Nein - es stammt von numero ab.
Und in der Informatik ist z.B. Enumeration ein verwandter Begriff. Prinzipiell ist also die Schreibweise des Wortes 'gebunden'. Aber soweit reicht's bei den Dusseln, die für die Änderungen ermächtigt wurden ja nicht. Und wenn man dann fachlich was kritisiert, wird gejammert. Manchmal muß man mal auf den Tisch hauen, damit kein Schaden entsteht.

Gruß
  Andy

p.s.: Ach so, die Ampel - wie sieht denn nun die exakte Umsetzung dieser Diagramme in die MBS-EV aus?

Bearbeitet von Andy

Geschrieben

Hallo zusammen,...

vor 30 Minuten schrieb Andy:

Aber 'Anwendungsfreundlich' und 'mächtig' müssen sich nicht ausschliessen.

Doch, genau das tut es, stell dir vor du hast einen Taschenrechner der kann Plus, Minus, Dividieren, Multiplizieren, einfachste Grundrechenarten, damit kannst du alles berechnen, dann zeigst du mir wie du einen Sinus, Wurzel, Integration berechnest, absolut möglich, ja, aber äusserst kompliziert, somit wird zur Vereinfachung die Funktion implementiert, was bedeutet daß die Tasten des Taschenrechners um 3 erhöht wird, also verkompliziert, und die Berechnung ohne Erweiterung des eigenen Wissens unmöglich gemacht.

Dies bedeutet im Normalfall Freiheiten in der Berechnung, Programmierung müssen durch erweitertes Wissen erkauft werden.

lg max

Geschrieben
vor 17 Minuten schrieb maxwei:

Hallo zusammen,...

Doch, genau das tut es, stell dir vor du hast einen Taschenrechner der kann .......

lg max

Hi maxwei

Stell dir mal vor du bekommst deinen taschenrechner weg genommen........dann kommst du vermutlich selbst bei den grundrechenarten ins schleudern und kratzt dich am haupt um den hirnzellen dabei zu helfen die spaerlichen erinnerungen aufzufinden wie genau jetzt nochmal der vorgang "zu fuss" gemacht wird z.b. eine 1000er zahl durch eine ungerade 10er zahl zu teilen.

Ich sage das weil dieser vergleich im grunde sagt das taschenrechner (als stellvertreter fuer IT) sich eigendlich nur begrenzt haetten durchsetzen koennen - da die user ja noch so viel mehr haetten lernen muessen um die geraete sinnvoll meistern zu koennen.

In meiner schulzeit kamen die ersten  (noch mit kleinen roehren anzeigen!) auf und wir wurden wurden am anfang des schuljahres angewiesen uns doch einen OMRON 10SR zu kaufen. Bis dahin hatten wir z.b. bei trigonometrischen berechnungen z. t. tabellen u rechenschieber zu nutzen gelernt um annaehernd das richtige ergebnis zu finden. Mit den taschenrechnern musste man ledilich wissen welche taste fuer welche funktion gedrueckt werden muss und in 0 koma nix hatte man den gesuchten wert exact auf der roehrenanzeige.

Was ich damit sagen will ist das es mir als user einer software ziemlich wurscht ist was da wie auch immer im hintergrund geschieht solange das was ich wollte im vordergrund eintritt.

Nebenbei bemerkt : wenn der rechner weg waere und du mit stift un papier zu werke gehst duerfte sich das uebertragen auf die ersetzung des MBS durch eine holzeisenbahn handeln.

Was ich mir wuenschen wuerde fuer das MBS waere eine loesung die ich schon bei mancher software gesehen habe und die ich gerne mit HIFI technik vergleiche. Da gab und gibt es auch noch geraete die den user mit einer schier endlosen anzahl von knoepfen (einstellungsmoeglichkeiten) erchlagen, beindrucken, ueberfordern, begeistern (sucht euch das passende aus) und andere geraete haben nur die wesentlichen maximal 3 knoepfe ( volume, bass, treble) Will heissen: koennte man nicht das MBS so gestalten das es eine "einfache user" maske gibt die mehr oder weniger intuitiv benutzt werden kann und als wahlmoeglichkeit eine maske in der jedes noch so kleine itzlchen von begnadeten und IT kentnisreichen usern getrimmt werden kann. Wobei ich die derzeitige V4 durchaus als intuitiv zu bedienen ansehe, zumindest macht es grossen spas damit zu spielen und anlagen zu erzeugen die jede holzeisenbahn direkt ins feuer verbannen.

Cheers

Tom

Geschrieben

Schönen Abend

Danke Andy

MfG Hans

     
     
           
           
           
           
           
           
           

Bearbeitet von pfjoh

Geschrieben
vor 1 Stunde schrieb maxwei:

daß die Tasten des Taschenrechners um 3 erhöht wird, also verkompliziert, und die Berechnung ohne Erweiterung des eigenen Wissens unmöglich gemacht

Hä? Wieso verkompliziert sich da was? Weil Du jetzt die + Taste länger suchen mußt?
Wenn Du bislang nur was von einer Walnuß gehört hast, juckt dich der Sinus doch gar nicht. Klar, manche sagen dann, "das kenne ich nicht, sowas kauf ich mir aber nicht!"
Man braucht auch die Wurzel-Taste nicht, wenn man den Logarithmus und die Gegenfunktion hat.
Interessanterweise gibt es mehr Taschenrechner, die die Wurzelfunktion haben, aber den Logarithmus nicht.

Und wieso wird die Berechnung ohne Erweiterung des eigenen Wissens unmöglich gemacht? Es ist doch umgekehrt. Du kannst jetzt die Wurzel ziehen, ohne zu wissen, wie das manuell geht. (ich denke, das hast Du auch eigentlich schreiben wollen)

Du kannst hier auch was posten, ohne zu wissen, wie das Internet und z.B. http funktioniert. Und Du brauchst nicht mal einen Führerschein dafür.
Müßten die Leute heutzutage noch DOS benutzen, hätten sie erheblich mehr Wissen darüber.

Gruß
  Andy

Bearbeitet von Andy

Erstelle ein Benutzerkonto oder melde dich an, um zu kommentieren

Push-Benachrichtigungen konfigurieren

Chrome (Android)
  1. Tap the lock icon next to the address bar.
  2. Tap Permissions → Notifications.
  3. Adjust your preference.
Chrome (Desktop)
  1. Click the padlock icon in the address bar.
  2. Select Site settings.
  3. Find Notifications and adjust your preference.